Home
About Us
Architectural Plans
E-Books
FREE Resources
Projects
Contact Us
Renovation & Build Design Review
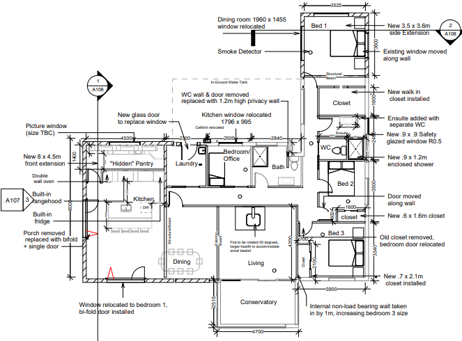
Total Renovation - After
Index
Previous
Next
Menu Sitemap
Categories
search